-
Мебельная фурнитура
- Ящики
-
Направляющие
-
Ручки
-
Крючки
-
Подъёмные механизмы
-
Петли
- Замки и сопутствующее
- Воски
- Заглушки
- Колёса
- Газлифты
- Механизмы для столов
- Декор
- Замки
- Комплектующие для пластиковых окон
- Держатели и уголки
- Штанги и трубы
- Держатели для зеркал
- Для компьютерного стола
- Толкатели
- Опоры
- Подложка
- Светодиоды
- Уголки
- Удлинители
- МДФ Панели, профиль и кромка
- Уплотнители
- Плинтуса и аксессуары
- BLUM
- Матрасы
- Офисные стулья и кресла
- Вытяжки
- Алюминиевые системы и перегородки
- Мойки
- Столешницы, щиты и сопутствующие
- Крепёж и прочее
- Наполнения шкафов
- Наполнения кухонь
- Сантехника
- Шкафы купе
Будьте всегда в курсе!
Узнавайте о скидках и акциях первым
Горизонт нижний ELEPHANT Золото брашированное 5900 мм
Артикул:
ПремЕ-ЗБ гн
Горизонт нижний ELEPHANT Золото брашированное 5900 мм
Подробнее
1 070.52 руб./шт
Есть в наличии (9.7)
-
+
В корзинуВ корзине
Поделиться
Цена действительна только для интернет-магазина и может отличаться от цен в розничных магазинах
Описание
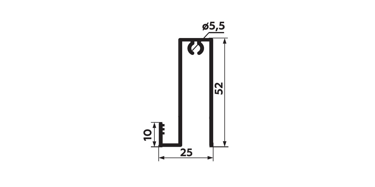
Горизонтальный нижний профиль
Применение: Для шкафов-купе
Длина: 5900 мм
Материал: Алюминий
Цвет: Золото брашированное
Вес: ХХХ гр
Нижний профиль рамки двери-купе в узкорамочной раздвижной системе Elephant.
Видимая ширина профиля — 10 мм. Для наполнения толщиной до 10 мм.
ЛОГИСТИЧЕСКАЯ ИНФОРМАЦИЯ
Тип упаковки: Картонная коробка
Размер упаковки (ШхГхВ): ХХХ х ХХХ х ХХХ
Объём упаковки: ХХХ м3
Масса упаковки брутто ХХХкг
Применение: Для шкафов-купе
Длина: 5900 мм
Материал: Алюминий
Цвет: Золото брашированное
Вес: ХХХ гр
Нижний профиль рамки двери-купе в узкорамочной раздвижной системе Elephant.
Видимая ширина профиля — 10 мм. Для наполнения толщиной до 10 мм.
ЛОГИСТИЧЕСКАЯ ИНФОРМАЦИЯ
Тип упаковки: Картонная коробка
Размер упаковки (ШхГхВ): ХХХ х ХХХ х ХХХ
Объём упаковки: ХХХ м3
Масса упаковки брутто ХХХкг
Характеристики
| Реквизиты | Товары, Товар, 32594, 0 |
Задать вопрос
Вы можете задать любой интересующий вас вопрос по товару или работе магазина.
Наши квалифицированные специалисты обязательно вам помогут.
Наши квалифицированные специалисты обязательно вам помогут.

























