-
Мебельная фурнитура
- Ящики
-
Направляющие
-
Ручки
-
Крючки
-
Подъёмные механизмы
-
Петли
- Замки и сопутствующее
- Воски
- Заглушки
- Колёса
- Газлифты
- Механизмы для столов
- Декор
- Замки
- Комплектующие для пластиковых окон
- Держатели и уголки
- Штанги и трубы
- Держатели для зеркал
- Для компьютерного стола
- Толкатели
- Опоры
- Подложка
- Светодиоды
- Уголки
- Удлинители
- МДФ Панели, профиль и кромка
- Уплотнители
- Плинтуса и аксессуары
- BLUM
- Матрасы
- Офисные стулья и кресла
- Вытяжки
- Алюминиевые системы и перегородки
- Мойки
- Столешницы, щиты и сопутствующие
- Крепёж и прочее
- Наполнения шкафов
- Наполнения кухонь
- Сантехника
- Шкафы купе
Будьте всегда в курсе!
Узнавайте о скидках и акциях первым
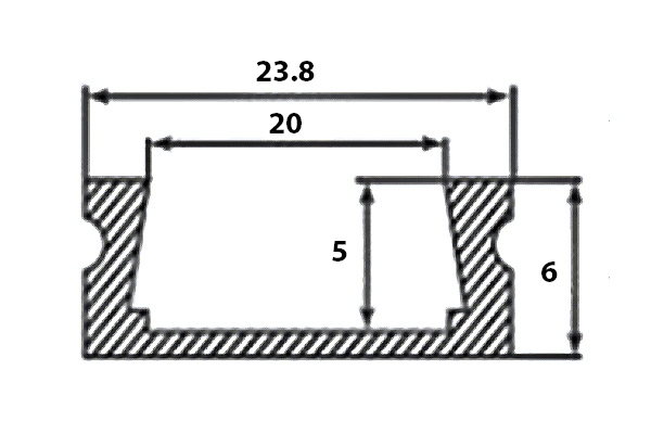
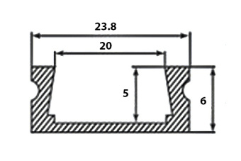
Алюминиевый профиль нак. 2000 х 23,8 х 6 мм, (2 заг.+4 креп)
Артикул:
SP266
Алюминиевый профиль нак. 2000 х 23,8 х 6 мм, (2 заг.+4 креп)
Подробнее
607 руб./шт
Есть в наличии (28)
-
+
В корзинуВ корзине
Поделиться
Цена действительна только для интернет-магазина и может отличаться от цен в розничных магазинах
Описание
Профиль
Тип: Накладной
Применение: Для светодиодной ленты
КПД профиля (cветовой): ХХХ %
Размеры: 2000x23,8х6мм
Ширина световой линии: 15 мм
Материал: Алюминий
В комплекте:
матовый рассеивающий экран,
4 крепежа, 2 заглушки.
Цвет: Серебро
Вид покрытия: Матовый
Кол-во в упаковке: 60 шт
Вес: ХХХ гр.
Алюминиевый анодированный встраиваемый профиль для светодиодных лент и линеек.
Для установки в гипсокартон. Возможна установка в мебель, стены, цоколи с помощью
держателей. Габаритные размеры 2000x53х13,5 мм. Ширина площадки для ленты 8 мм.
Экраны, заглушки и другие аксессуары приобретаются отдельно.
ЛОГИСТИЧЕСКАЯ ИНФОРМАЦИЯ
Тип упаковки: Картонная коробка
Размер упаковки (ШхГхВ): ХХхХХхХХ см.
Объём упаковки: ХХХ м3
Масса упаковки брутто ХХХ кг
Тип: Накладной
Применение: Для светодиодной ленты
КПД профиля (cветовой): ХХХ %
Размеры: 2000x23,8х6мм
Ширина световой линии: 15 мм
Материал: Алюминий
В комплекте:
матовый рассеивающий экран,
4 крепежа, 2 заглушки.
Цвет: Серебро
Вид покрытия: Матовый
Кол-во в упаковке: 60 шт
Вес: ХХХ гр.
Алюминиевый анодированный встраиваемый профиль для светодиодных лент и линеек.
Для установки в гипсокартон. Возможна установка в мебель, стены, цоколи с помощью
держателей. Габаритные размеры 2000x53х13,5 мм. Ширина площадки для ленты 8 мм.
Экраны, заглушки и другие аксессуары приобретаются отдельно.
ЛОГИСТИЧЕСКАЯ ИНФОРМАЦИЯ
Тип упаковки: Картонная коробка
Размер упаковки (ШхГхВ): ХХхХХхХХ см.
Объём упаковки: ХХХ м3
Масса упаковки брутто ХХХ кг
Характеристики
| Реквизиты | Товары, Товар, 17705, 0 |
Задать вопрос
Вы можете задать любой интересующий вас вопрос по товару или работе магазина.
Наши квалифицированные специалисты обязательно вам помогут.
Наши квалифицированные специалисты обязательно вам помогут.

























